Back to CB Radio

Next Mobile









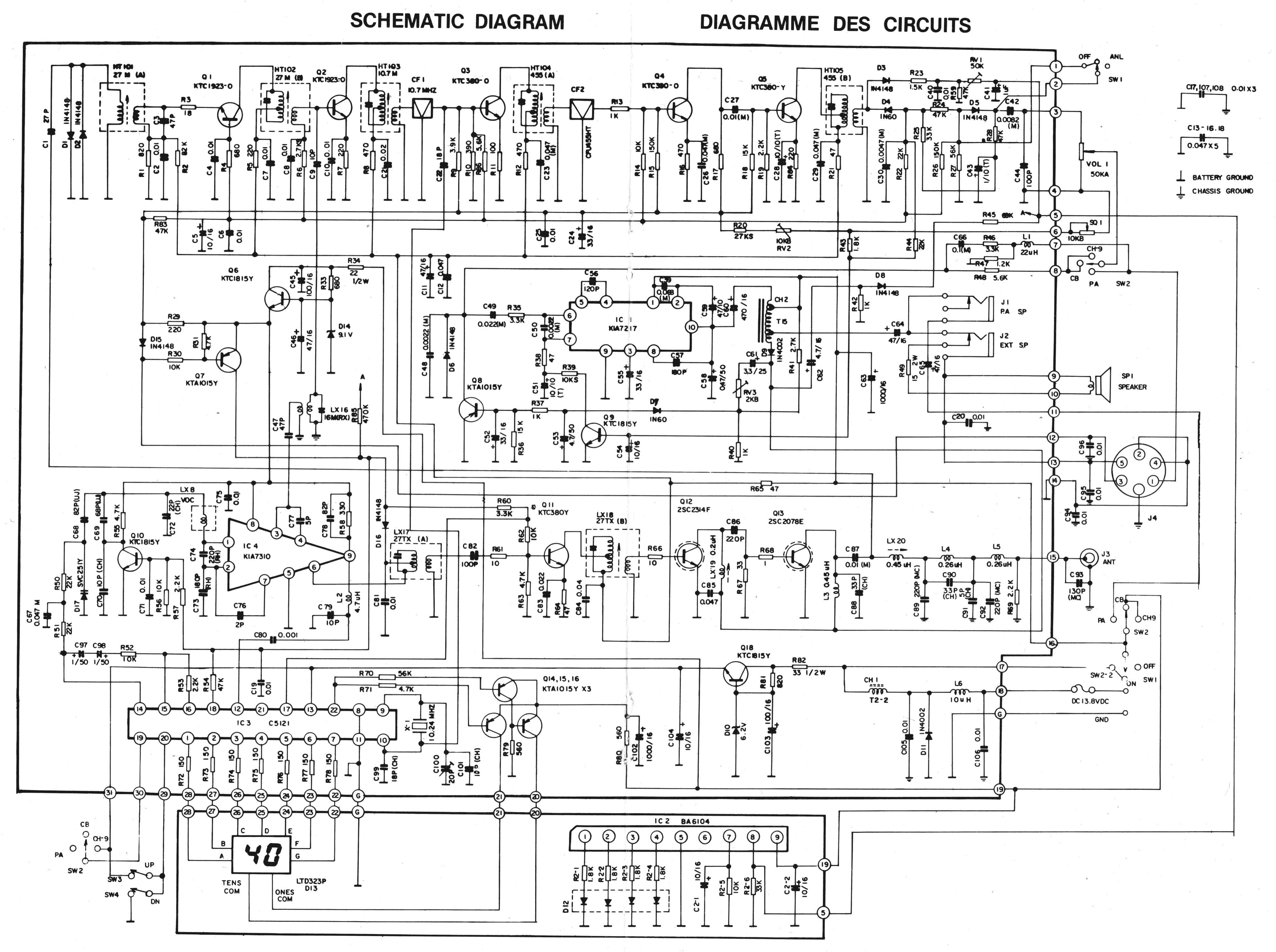
Lear Jet Stereo 8835

Type: Citizen Band Transceiver
Frequency Range: 26.965-27.405 MHz
Channels: 40
Modes: AM
Frequency Control: PLL
Power Output: 4 W
Voltage: 13.8 VDC
Current Drain: RX: Max ? A
TX: Max ? A
Dimensions (W*H*D): 145 x 185 x 50 mm
Weight: 1.35 kg
Manufactured: Korea: 19xx-19xx
By Carraday Electronics Ltd. Ontario, Canada
Other:
Related Documents: Operation & Service Manual (1.66 MB)
Schematic (1.66 MB)
Sams Photofact:
FCC Data (ID):